|  
 |  
 
  
 
 | 
|  
 |  
| Цепи тяговые пластинчатые 
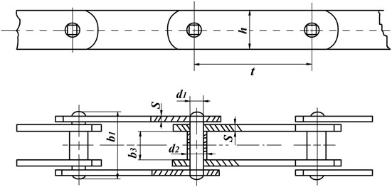
 |  | Тяговые пластинчатые цепи применяются в подъемно-транспортных машинах и других механизмах. Изготавливаются как без пластин,
так и со спецпластинами типа 1 (втулочные) и типа 2 (роликовые) с шага t=100 мм. 
 По конструкции цепи каждого типа могут быть следующих исполнений: 1- Неразборная цепь со сплошными валиками (индекс М); 2-
разборная цепь со сплошными валиками (индекс М).
 
 В настоящее время для тяговых пластинчатых цепей изготавливаются следующие типы присоединительных элементов:
 
 1.2. - специальные пластины с двумя отверстиями в полке;
 2.2. - специальные пластины без полки с двумя отверстиями;
 2.1. - специальные пластины без полки с одним отверстием.
 
 Данные цепи изготавливаются с присоединительными элементами и отверстиями в пластинах. Также изготавливаются специальные
цепи на базе тяговых пластинчатых цепей.
 |  | 
| Номер цепи | Диаметр цепи | b1, не более | b2, не более | b3, не менее | b4, не более | h, не более | s | Шаг цепи, t* | Разрушающая нагрузка (кгс), кН, не менее |  
| d1 | d2 | d3 |  
|   М20 | 6,0 | 9,0 | 12,5 | 35 | 3,5 | 15 | 49 | 18 | 2,5 | 40**-160 | 20 (2000) |  
|   М28 | 7,0 | 10,0 | 15,0 | 40 | 4,0 | 17 | 56 | 20 | 3,0 | 57**-200 | 28 (2800) |  
|   М40 | 8,5 | 12,5 | 18,0 | 45 | 4,5 | 19 | 63 | 25 | 3,5 | 63-250 | 40 (4000) |  
|   М56 | 10,0 | 15,0 | 21,0 | 52 | 5,0 | 23 | 72 | 30 | 4,0 | 63**-250 | 56 (5600) |  
|   М80 | 12,0 | 18,0 | 25,0 | 62 | 6,0 | 27 | 86 | 35 | 5,0 | 80-315 | 80 (8000) |  
|   М112 | 15,0 | 21,0 | 30,0 | 73 | 7,0 | 31 | 101 | 40 | 6,0 | 80**-400 | 112 (11200) |  
|   М160 | 18,0 | 25,0 | 36,0 | 85 | 8,5 | 36 | 117 | 45 | 7,0 | 100**-500 | 160 (16000) |  
|   М224 | 21,0 | 30,0 | 42,0 | 98 | 10,0 | 42 | 134 | 56 | 8,0 | 125**-630 | 224 (22400) |  
|   М315 | 25,0 | 36,0 | 50,0 | 112 | 12,0 | 47 | 154 | 60 | 10,0 | 160**-630 | 315 (31500) |  
|   М450 | 30,0 | 42,0 | 60,0 | 135 | 14,0 | 55 | 185 | 70 | 12,0 | 200-800 | 450 (45000) |  
|   М630 | 36,0 | 50,0 | 70,0 | 154 | 16,0 | 65 | 214 | 85 | 14,0 | 250-1000 | 630 (63000) |  
|   М900 | 44,0 | 60,0 | 85,0 | 180 | 18,0 | 76 | 254 | 105 | 16,0 | 250**-1000 | 900 (90000) |  
|   М1250 | 50,0 | 71,0 | 100,0 | 230 | 22,0 | 90 | 310 | 120 | 20,0 | 315**-1000 | 1250 (125000) |  
|   М1800 | 60,0 | 85,0 | 118,0 | 260 | 24,0 | 110 | 370 | 150 | 22,0 | 400-1000 | 1800 (180000) |  |  | * Шаг выбирается из ряда : 40 , 50 , 63 , 80 , 100 , 125 , 160 , 200 , 250 , 315 , 400 , 500 , 630 , 800 , 1000 мм . ** Применение шагов , отмеченных ** для катковых цепей не допускается.
 Пример условного обозначения цепи : Цепь М112-2-100-1 ГОСТ 588 - 81
тяговая пластинчатая цепь;
112 - разрушающая нагрузка , кН;
2 - тип;
100 - шаг, мм;
1 - исполнение;
 |  |